- Gratis thuisbezorgd, ook 's avonds
- 2 jaar garantie
- Een 9.1 uit 47.243 beoordelingen
Geberit Duofix Element voor staande wc Sigma inbouwrservoir kindercloset 12cm UP320
Alternatieve producten
Geberit Duofix Element voor staande wc Sigma inbouwrservoir kindercloset 12cm UP320
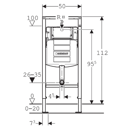
Het Geberit Duofix-element voor een staande wc Sigma is speciaal ontworpen voor kindertoiletten en biedt een praktische en duurzame oplossing voor moderne sanitaire installaties. Met een zelfdragend frame van gepoedercoat staal en een geïntegreerd inbouwreservoir (UP320) combineert dit element functionaliteit, flexibiliteit en betrouwbaarheid.Het frame heeft een hoogte van 112 cm, een breedte van 50 cm en een diepte van slechts 12 cm, wat zorgt voor een compacte en ruimtebesparende installatie. Dankzij de verstelbare vloerbevestigingsconsoles en de instelbare dwarsbalk is dit element geschikt voor verschillende bouwsituaties, waaronder droogbouw en voorzetwandinstallaties. Het spoelreservoir is gemaakt van polyetheen (PE) en is geïsoleerd tegen condensatie, wat de duurzaamheid en efficiëntie verhoogt.
Veelzijdige toepassingen
Het Duofix-element is compatibel met Single flush-, Dual flush- en Start/Stop-spoelsystemen, met instelbare spoelvolumes voor optimaal waterverbruik. Het ontwerp is geschikt voor vloerdiktes van 0-20 cm en kan eenvoudig worden geïnstalleerd in systeem- en voorzetwanden, evenals in Geberit GIS-voorwandsystemen.
Compleet en eenvoudig te monteren
Het element wordt geleverd met alle benodigde accessoires, waaronder een wateraansluiting, beschermstoppen, een pijpmof en een aansluitset voor een staand toilet. Montage en onderhoud kunnen zonder speciaal gereedschap worden uitgevoerd, wat tijd en moeite bespaart tijdens installatie.
Kenmerken:
- Afmetingen: 1120 x 500 x 120 mm (hxbxd)
- Zelfdragend frame met poedercoating
- Geïsoleerd inbouwreservoir met frontbediening
- Verstelbare spoelvolumes: 6/3 liter (fabrieksinstelling), instelbaar tot 7,5 liter
- Geschikt voor droogbouw en voorzetwandinstallaties
- Compatibel met Single flush, Dual flush en Start/Stop
- Wateraansluiting: R 1/2", boven of achter
- Inclusief bevestigingsmateriaal en aansluitset
| Artikelnummer | SW203591 | |
| Leveranciernummer | 111.915.00.5 | |
| EAN | 4025416536093 | |
| Merk | Geberit | |
| Serie | Duofix |
Technische informatie
| Afmeting | H=112 cm | |
| Hoogte | 112 cm | |
| Uitwendige buisdiameter afvoer | 90 | |
| Aansluiting leidingwater | buitendraad |
Productinformatie
| Materiaal | Staal | |
| Type | Wc-element | |
| Oppervlaktebescherming | Gecoat | |
| Maximale spoelwaterhoeveelheid | 7 l | |
| Minimale spoelwaterhoeveelheid | 3 | |
| Materiaal spoelreservoir | kunststof | |
| Spoeling | twee hoeveelheden |
Features
| Met bevestigingsmateriaal | Nee | |
| Hoogte verstelbaar | Ja | |
| Met stopkraan | Ja | |
| Met contactgeluidsisolatieset | Nee | |
| Zelfdragend frame | ja |
Meer informatie
![]() |
Geberit Groep is Europees marktleider op het gebied van sanitaire producten. Wat 140 jaar geleden begon als familiebedrijf is inmiddels uitgegroeid tot een wereldwijde onderneming. Sinds het begin houden ze zich bezig met het constant innoveren van hun producten. Het uitgebreide assortiment van Geberit bevat de beste sanitaire technologie en badkamer keramiek. Ze focussen zich niet alleen op uiterlijk van hun producten. Design gaat volgens Geberit namelijk verder dan hoe producten er uit zien. Functionaliteit, onderhoud en duurzaamheid zijn even belangrijk bij het design van Geberit producten. |
Garantie van Geberit
Kranen, toiletten en wastafels van Geberit hebben een standaard fabrieksgarantie van twee jaar. De garantie vervalt bij foutieve montage, installatie/reparatie door een niet-geautoriseerd installateur of reparateur, gebrekkig onderhoud of foutief gebruik.
Bezorgen
In de winkelwagen zie je de verwachte leverdatum van de totale bestelling. Kies zelf een bezorgdag.
Gratis afhalen in showroom
Het is mogelijk om dit product gratis af te halen in één van onze showrooms. Bekijk hieronder een indicatie van de afhaaldatum per showroom. Rond de bestelling online af en geef in het bestelproces aan in welke showroom je jouw bestelling wenst af te halen.Is dit artikel een showroommodel? Dan kun je deze maximaal 1 dag reserveren en alleen betalen in de betreffende showroom.
| Alkmaar | Bestel en haal af vanaf 24-04-2026 |
|---|---|
| Amsterdam Amstel | Bestel en haal af vanaf 24-04-2026 |
| Amsterdam West | Bestel en haal af vanaf 24-04-2026 |
| Arnhem | Bestel en haal af vanaf 24-04-2026 |
| Breda | Bestel en haal af vanaf 25-04-2026 |
| Eindhoven | Bestel en haal af vanaf 25-04-2026 |
| Heerlen | Bestel en haal af vanaf 25-04-2026 |
| Middelburg | Bestel en haal af vanaf 25-04-2026 |
| Nieuwegein | Bestel en haal af vanaf 24-04-2026 |
| Rosmalen | Bestel en haal af vanaf 24-04-2026 |
| Rotterdam | Bestel en haal af vanaf vrijdag |
| Tilburg | Bestel en haal af vanaf 25-04-2026 |
| Wateringen | Bestel en haal af vanaf 24-04-2026 |
Gratis retourneren in onze showrooms
Toch niet helemaal tevreden over dit product? Geen zorgen! Je kunt het ontvangen product (m.u.v. tegels) retour sturen binnen 30 dagen na ontvangst.
Alle betalingen ontvang je terug op dezelfde wijze waarop je hebt betaald, in ieder geval binnen 14 dagen vanaf de retourdatum.
